您好,欢迎进入河北芸豪科技有限公司官网!

河北芸豪科技有限公司

工业废盐资源化利用解决方案服务商

19933096149

热门关键词: 

技术专栏
您的位置: 网站首页  > 技术专栏

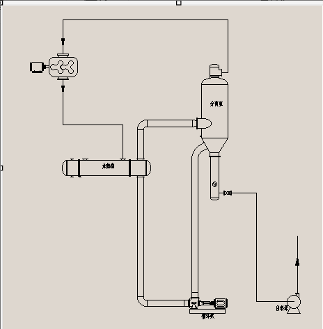
MVR强制循环蒸发器

发布时间:2026-02-09浏览次数:135

强制循环蒸发器由蒸发分离器、换热器和强制循环泵组成。物料在换热器的换热管内被换热管外的蒸汽加热温度升高。在循环泵作用下物料上升到蒸发分离器中,在蒸发分离器内由于物料静压下降使物料发生蒸发。

蒸发产生二次蒸汽从物料中溢出,物料被浓缩产生过饱和而使结晶生长,解除过饱和的物料进入强制循环泵,在循环泵作用下进入换热器,物料如此循环不断蒸发浓缩或浓缩结晶。

晶浆从循环管路中用出料泵输出。蒸发分离器内的二次蒸汽输送到压缩机,压缩机把二次蒸汽压缩后输送到换热器壳程用作蒸发器加热蒸汽,实现热能循环连续蒸发。